|
|
|
 |
MC-Card series are microminature,50-ohm connectors that feature snap-on mating and a frequency range of DC-6GHz. MC-Card connectors are an alternative to MMCX connectors in many wireless and telecom applications.
They are similar to MMCX in performance, feature quick snap-on mating and unmating, and designed to withstand a minimum of 5,000 mating cycles.
Delta MC-Card connectors are available for several sizes of flexible cable ,and as PCB receptacles.
|
|
|
• Interface
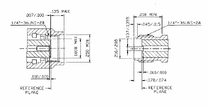
Dimensions |
| Letter |
Millimeters(Inches) |
| Minimum |
Maximum |
| A |
0.00(.000) |
0.38(.015) |
| B |
0.90(.0355) |
0.94(.037) |
| C |
— |
4.59(.1808) |
| D |
6.35(.250) |
— |
| E |
0.00(.000) |
0.18(.007) |
| F |
0.00(.000) |
0.25(.010) |
| G |
— |
2.54(.100) |
| H |
— |
3.43(.135) |
|
| Letter |
Millimeters(Inches) |
| Minimum |
Maximum |
| A |
4.60(.1810) |
4.67(.1837) |
| B |
5.28(.208) |
5.49(.216) |
| C |
0.00(.000) |
0.18(.007) |
| D |
0.00(.000) |
0.25(.010) |
| E |
2.92(.115) |
— |
| F |
1.88(.074) |
1.98(.078) |
| G |
0.38(.015) |
1.149.045) |
| H |
4.32(.170) |
— |
| I |
5.54(.218) |
— |
| J |
1.24(.049) |
1.30(.051) |
|
|
| Electrical: |
| Impedance |
50 ohm |
| Frequency Range |
0 to 12.0 GHz
• for flexible cable→max operation frequency of
cable per MIL-C-17 (12.4 GHz maz) |
| VSWR |
| RG178U→ |
1.2+0.025 f max (Straight)
1.2+0.03 f max (Right Angle) |
| RG316U→ |
1.15+0.02 f max (Straight)
1.15+0.03 f max (Right Angle) |
| RG142U→ |
1.15+0.01f max (Straight)
1.15+0.02 f max (Right Angle) |
|
| Working Voltage |
• RG-58,141,142,223→500 volts rms
max •
RG-174,188,316→335 volts rms max • RG-178,196→250
volts rms max |
| Dielectric Withstanding
Voltage |
• RG-58,141,142,223→1,000 volts
rms max •
RG-174,188,316→750 volts rms max • RG-178,196→500
volts rms max |
| Contact Resistance |
center contact=3.0 Milliohms
max
outer contact=2.0 Milliohms max |
| Insertion Loss |
0.06 dB max × 1.5 GHz @ 6 GHz |
| Insulation Resistance |
5,000 Megohms min |
|
| |
| Mechanical
& Environmental: |
| Mating |
1/4"-36 threaded coupling |
| Durability |
500 matings |
| Coupling Nut Retention |
60 lbs Min |
| Recommend Nut Mating Torque |
7 to 10 inch-pounds |
| Cable Retention |
RG-58,141,142,223→40 lbs min
RG-174,188,316 →20 lbs min |
| Temperature Range |
-65°C to 165°C |
| Vibration |
MIL-STD-202 Method 204 Test Cond. D. |
| Salt Spray |
MIL-STD-202 Method 101 Test Cond. B. |
| Thermal shock |
MIL-STD-202 Method 107 Test Cond. B. |
|
| |
| Materials
/ Finish: |
| |
Material |
Plating |
| Connector Body |
Brass |
Nickel or gold |
| Center Contact |
Male:Brass
Female:Beryllium Copper |
30µ " gold over 100 µ " nickel
30µ " gold over 100 µ " nickel |
| Insulation |
Teflon |
None |
| Gasket |
Silicone Rubber |
None |
| Crimp Ferule |
Annealed Copper |
Same as Body |
|
|
|
| Reverse Polarity
SMA : |
 |
| Electrical : |
| Impedance |
50 ohm |
| Frequency Range |
0 to 12 GHz
• for flexible cable→max operation frequency of cable
per MIL-C-17(12.4GHz max) |
| VSWR |
| RG178U→ |
1.2+0.025 f GHz max(Straight)
1.2+0.03 f GHz max(Right Angle) |
| RG316U→ |
1.15+0.02 f GHz max
(Straight)
1.15+0.03 f GHz max (Right Angle) |
| RG142U→ |
1.15+0.01 f GHz max
(Straight)
1.15+0.02 f GHz max (Right Angle) |
|
| Working Voltage |
375 volts rms max |
| Dielectric Withstanding
Voltage |
100 volts rms |
| Insertion Loss |
0.06 dB maximum x??GHz@ 6GHz;
|
| Insulation Resistance |
5,000 Megohms min |
|
| Mechanical
& Environmental: |
| Mating |
1/4"-36 threaded coupling |
| Durability |
500 matings |
| Coupling Nut Retention |
60 lbs Min |
| Cable Retention |
RG-58,141,142,223→41 lbs min
RG-174,188,316→20lbs min |
| Thermal shock |
-65°C to 165°C |
|
| Materials
/ Finish: |
| |
Material |
Plating |
| Connector Body |
Brass |
Nickel or Gold |
| Center Contact |
Male:Brass
Female:Beryllium Copper |
30 µ " gold over 100 µ
" nickel |
| Insulation |
Teflon |
None |
| Gasket |
Silicone Rubber |
None |
| Crimp Ferule |
Annealed Copper |
Same as Body |
|
|
|