Home
About Us
Product
Contact Us
Hot News
 
 
 
>>MMCX
>>RF Connectors
Materials / Finish:
  Straight Crimp Cable Male  
  Straight PCB Female  
  R/A Crimp Cable Male  
  R/A Semi-Rigid Cable Male  
  R/A PCB Female  
MMCX Micro-miniature connectors are designed with a 50 ohm characteristic impedance and were developed for applications which require smallest dimensions. MMCX connectors can be used fro DC up to 6GHz and higher. The locking consists of a snap-on mechanism. The major application for MMCX series connectors are PCMCIA cards & other small hand-held communication devices.
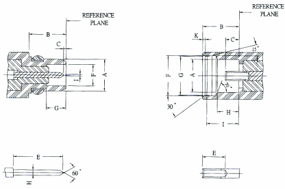
• Interface Dimensions
PLUG
Letter
Millimeters(Inches)
Minimum
Maximum
A
2.10(.094)
B
2.70(.106)
C
0.00(.000)
0.25(.010)
E
3.15(.124)
F
1.58(.62)
1.62(.064)
G
1.45(.057)
H
0.38(.015)
0.42(.017)
I
0.20(.008)
K
JACK
Letter
Millimeters(Inches)
Minimum
Maximum
A
2.41(.095)
B
2.60(.102)
C
0.90(.035)
1.20(.047)
E
1.40(.055)
F
3.00(.118)
3.04(.120)
G
2.88(.113)
2.90(.114)
H
1.57(.062)
1.63(.064)
I
2.30(.091)
2.34(.092)
K
0.23(.009)
Electrical:
Impedance 50 ohm
Frequency Range 0 to 6 GHz
VSWR 1.2 max (Straight)
1.3 max (Right Angle)
Voltage Rating 170 volts rms max. at seal level
Dielectric Withstanding Voltage 500 volts rms. at seal level
Contact Resistance center contact=5.0 Milliohms max
outer contact=2.5 Milliohms max
Insertion Loss 0.2 dB max @ 1GHz (straight)
0.3 dB max @ 1GHz (Right Angle)
Insulation Resistance 1,000 Megohms min
 
Mechanical & Environmental:
Mating Snap-on coupling
Durability 500 matings
Cable Retention RG-58,141,142,223→40 lbs min
RG-174,188,316 →20 lbs min
Temperature Range -65°C to 165°C
Vibration MIL-STD-202 Method 204 Test Cond. D.
Salt Spray MIL-STD-202 Method 101 Test Cond. B.
Thermal shock MIL-STD-202 Method 107 Test Cond. F.
 
Materials / Finish:
  Material Plating
Connector Body Brass Nickel or gold
Center Contact Male:Brass
Female :Beryllium Copper
30 µ " gold over 100 µ " nickel
30 µ " gold over 100 µ " nickel
Insulation Teflon None
Crimp Ferule Annealed Copper Same as Body
 
 
Hwa Yao Technologies Co., Ltd
WIFI ANTENNA 2.4G/5.8G: OMNI / PANEL / GRID / YAGI / WAVEGUIDE / DIPOLE/(OMNI)SLOTTED SECTOR / CPE
RF COAXIAL CONNECTORS:SMA / SMB / MMCX / MCX / N / BNC / TNC / FME / MIMI UHF / UHF
ADAPTER:IN-SERIES ADAPTER / BETWEEN SERIES ADAPTER / ADAPTER KITS
CABLE ASSEMBLIES:SMA + MMCX / SMA + MCX / SMA + SMA /SMA + N / RP SMA + N /SMA + TNC / SMA + RP TNC
CABLES:LOW LOSS (LLC) / IPEX/RG CABLES
ACCESSORIES:HEAT SHRINK / CRIMP TOOLS/PROTECT CAPS

No.3, Aly. 2, Ln. 279, Zhongzheng Rd., Yongkang Dist., Tainan City 710, Taiwan (R.O.C.)
Tel:+886-6-2020062 Fax:+886-6-2013882
Email:sales@hwayaotek.com.tw
http://www.hwayaotek.com.tw