|
 |
| MCX micro miniature
connectors provide repeatable performance from DC
to 6 GHz. The designs of these devices have taken
into consideration the need for size reduction,
low weight, durability and reliable performance.
The outer diameter of the plug is .140 inches, which
is 30% smaller than the SMB. This series provides
designers with options where weight and physical
space are limited. MCX provides broadband capability
though 6 GHz with a snap-on connector design. A
range of connectors are available, including printed
circuit board and cable connectors. |
|
|
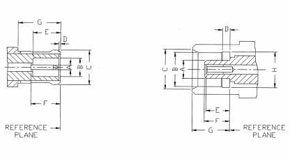
| • Interface
Dimensions: |
|
|
PLUG
| Letter |
Millimeters(Inches) |
| Minimum |
Maximum |
| A |
0.48(.019) |
0.53(.021) |
| B |
2.00(.079) |
2.07(.0815) |
| C |
3.63(.143) |
3.80(.150) |
| D |
0.00(.000) |
0.30(.012) |
| E |
2.80(.110) |
3.20(.126) |
| F |
2.80(.110) |
3.20(.126) |
| G |
4.15(.163) |
— |
|
JACK
| Letter |
Millimeters(Inches) |
| Minimum |
Maximum |
| A |
1.80(.071) |
1.98(.078) |
| B |
3.42(.135) |
3.48(.137) |
| C |
3.80(.150) |
— |
| D |
0.75(.030) |
0.85(.033) |
| E |
2.30(.091) |
2.80(.110) |
| F |
2.60(.102) |
2.80(.110)
|
| G |
4.00(.157) |
4.12(.162) |
| H |
3.60(.142) |
3.75(.147) |
|
|
| Electrical: |
| Impedance |
50 ohm |
75 ohm |
| Frequency Range |
0 to 6.0 GHz |
0.1 GHz |
| VSWR |
| 0-2
GHz→ |
1.22
max (Straight)
1.50 max (Right Angle) |
| 2-6
GHz→ |
1.35
max (Straight)
1.63 max (Right Angle) |
|
| Dielectric Withstanding
Voltage |
1000 volts rms , at sea
level |
| Contact Resistance |
center contact=5.0
milliohms max
outer contact=1.0 milliohms max |
| Working Voltage |
335 volts rms max , at
sea level |
| Insertion Loss |
0.1 dB max @ 1GHz (Straight)
0.2 dB max @ 1GHz (Right Angle) |
| Insulation Resistance |
1,000 Megohms min |
|
| |
| Mechanical
& Environmental: |
| Mating |
"Push-Pull" snap-on
coupling |
| Durability |
500 matings |
| Cable Retention |
RG-174,188,316 →20 lbs
min |
| Temperature Range |
-65°C to 165°C |
| Vibration |
MIL-STD-202 Method 204
Test Cond. D. |
| Salt Spray |
MIL-STD-202 Method 101
Test Cond. B. |
| Thermal shock |
MIL-STD-202 Method 107
Test Cond. C. |
|
| |
| Materials
/ Finish: |
| |
Material |
Plating |
| Connector Body |
Brass |
Nickel or Gold |
| Center Contact |
Male:Brass
Female :Beryllium Copper |
30 µ " gold over 100 µ " nickel
30 µ " gold over 100 µ " nickel |
| Insulation |
Teflon |
None |
| Crimp Ferule |
Annealed Copper |
Same as Body |
|
| |